Flow sensor using ultrasonic measurement technology.
Maximum measurement precision, zero maintenance requirements, and ongoing operation are all guaranteed by the absence of internal moving parts.
Because debris and deposits do not impact the accuracy of a fluid measurement made with ultrasonic technology, the meter can be installed in any location, whether the flow is ascending or descending.
It can be used in conjunction with the HYDROSPLIT-M3 thermal energy calculator to meet EN 1434 requirements.
|
Size |
DN (inch) |
25 (1”) |
25 (1”) |
40 (1”1/2) |
50 (2”) |
65 (2”1/2) |
80 (3”) |
100 (4”) |
|
|
Flow Rate |
Qs |
m³/h |
7 |
12 |
20 |
30 |
50 |
80 |
120 |
|
Nominal Flow Rate |
Qp |
m³/h |
3.5 |
6 |
10 |
15 |
25 |
40 |
60 |
|
Min flow rate |
Qi |
L/h |
35 |
60 |
100 |
150 |
250 |
400 |
600 |
|
Pressure loss at Qp |
mbar |
60 |
180 |
130 |
95 |
105 |
160 |
115 |
|
|
Operating limit |
L/h |
14 |
24 |
40 |
60 |
100 |
160 |
240 |
|
|
Working temperature |
°C |
5 -130 |
|||||||
|
Maximum admissible pres MAP |
bar |
25 |
|||||||
|
Pulse Value |
L |
10 |
100 |
||||||

|
Size |
DN (inch) |
25 (1") |
25 (1") |
40 (1”1/2) |
|
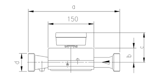
a |
mm |
260 |
260 |
300 |
|
b |
mm |
59 |
59 |
59 |
|
c |
mm |
96 |
96 |
93 |
|
d |
in |
G 1"1/4 |
G 1"1/4 |
G 2" |
|
Weights |
kg |
3 |
5 |
7 |

|
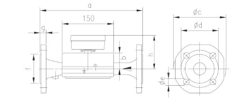
Size |
DN (inch) |
50 (2") |
65 (2"1/2) |
80 (3”) |
100 (4") |
|
a |
mm |
270 |
300 |
300 |
360 |
|
b |
mm |
59 |
52 |
56 |
68 |
|
Øc |
mm |
155 |
185 |
200 |
235 |
|
Ød |
mm |
125 |
145 |
160 |
190 |
|
Øe |
mm |
18 |
18 |
18 |
22 |
|
f |
mm |
102 |
122 |
138 |
158 |
|
g |
mm |
20 |
22 |
24 |
24 |
|
h |
mm |
93 |
97 |
101 |
113 |
|
Weights |
kg |
8 |
11 |
13 |
22 |

Example of installation on return pipe combined with the HYDROSPLIT-M3 heat/ BTU calculator