MP's Petroleum 80 series, which is specifically made for fluids based on petroleum, comes in three different models: SO 80, SG 80, and SE 80.
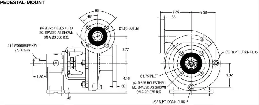
The versions are also available as PumPAKs® and are made to close-couple to 56C and 145TC frame electric motors. Pedestal is one more mounting option.
rotation of the pump in 90° increments





| ITEM NO. |
PART NO. |
DESCRIPTION |
QTY. |
ITEM NO. |
PART NO. |
DESCRIPTION |
QTY. | ||||||||
| 1 |
21255 |
PIPE PLUG - S.S.- 1/8" N.P.T. |
2 |
9 |
25332 |
ADAPTOR - CAST IRON |
1 | ||||||||
|
2 |
31871 |
HOUSING - DUCTILE IRON |
1 |
10 |
21251 |
CAPSCREW - S.S. - 3/8-16 X .88" |
4 |
||||||||
|
3 |
21260 |
STUD - S.S. - 3/8-16 X 1.32" |
6 |
11 |
21266 |
LOCKWASHER - S.S. - 3/8" |
10 |
||||||||
|
*4 |
25662 |
GASKET - KLINGERSIL |
1 |
12 |
21268 |
HEXNUT - S.S. - 3/8-16" |
6 |
||||||||
|
5 |
22655 |
HEX JAM NUT - S.S. - 5/8-18 |
1 |
13 |
21264 |
CAPSCREW - S.S. - 5/16 X 18 X 1.75" |
2 |
||||||||
|
6 |
25910 |
IMPELLER - CAST IRON - 05.90 |
1 |
14 |
21238 |
LOCKWASHER - S.S. - 5/16" |
2 |
||||||||
|
7 |
25664 |
DRIVE SLEEVE - S.S.- 718" |
1 |
15 |
21284 |
HEXNUT - S.S. - 5/16-18" |
2 |
||||||||
|
8 |
25460 |
SEAL T-21 - 1.0'' N.R.S. |
1 |
16 |
21954 |
CLAMP - S.S. - 718" - S.L. |
2 |
||||||||
|
|
|
|
17 |
25920 |
ELEC. MTR. - 3 H.P. 3 PH. 145TC TEFC |
1 |
|||||||||
* RECOMMENDED REPLACEMENT PARTS