MP's Petroleum 120 series, which is specifically made for petroleum-based fluids, comes in three different models: SO 120, SG 120, and SE 120.
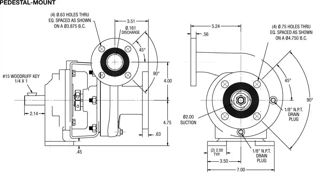
The versions are also offered as PumPAKs® and are made to close-couple to 184TC frame electric motors. Pedestal is one more mounting option.
rotation of the pump in 90° increments.




|
ITEM NO. |
PART NO. |
DESCRIPTION |
QTY. |
ITEM NO. |
PART NO. |
DESCRIPTION |
QTY. |
|||||||
|
1 |
21255 |
PIPE PLUG - S.S.- 1/8" N.P.T. |
2 |
*9 |
35651 |
SEAL - 1.5" - TYPE 2 - CAR I SIC I VIT |
1 |
|||||||
|
2 |
31492 |
HOUSING - DUCTILE IRON |
1 |
10 |
35652 |
ADAPTER - DUCTILE IRON |
1 |
|||||||
|
*3 |
25662 |
GASKET - KLINGERSIL |
1 |
11 |
21266 |
LOCKWASHER - S.S. - 3/8" |
10 |
|||||||
|
4 |
21261 |
STUD - S.S. - 3/8-16 |
6 |
12 |
21268 |
HEX NUT - S.S. - 3/8-16 |
6 |
|||||||
|
5 |
22655 |
JAM NUT - S.S.- 5/8-18 |
1 |
13 |
21259 |
CAPSCREW - S.S. - 3/8-16 |
4 |
|||||||
|
6 |
27027 |
IMPELLER - CAST IRON - 05.96 |
1 |
14 |
35649 |
CLAMP - B - 1.0" |
1 | |||||||
|
7 |
22700 |
DRIVE SLEEVE - S.S. - 1.0" |
1 |
15 |
26163 |
PEDESTAL ASSEMBLY |
1 |
|||||||
|
8 |
21762 |
#8 WOODRUFF KEY - S.S. |
1 |
|||||||||||
* RECOMMENDED REPLACEMENT PARTS