Both an air inlet and a fluid inlet/outlet valve can be used with the Perolo ND40 ATCO FULL BORE self-contained ball valve. This valve surpasses T22 regulations and provides exceptional protection for your tank with an MAWP of 16 bars. Better dependability, perfect for syncing with the vapour recovery loading arm.
| 
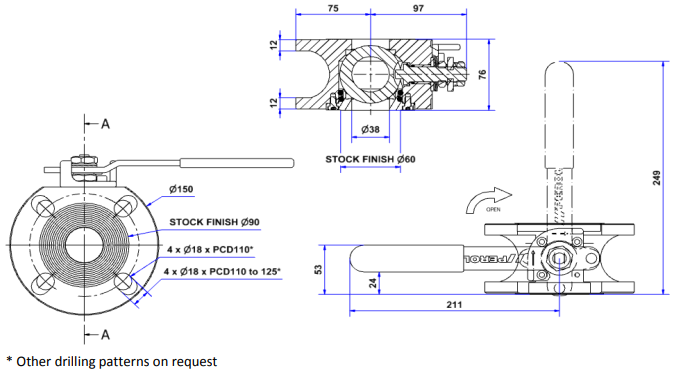
 Nominal diameter  | 
 40 mm (1 1/2")  | 
| 
 Weight  | 
 4.7 Kg  | 
| 
 Inlet flange drilling  | 
 4 holes x Ø18 x 110 PCD*  | 
| 
 Outlet flange drilling  | 
 4 slotted Ø18 x 110 to 125 PCD*  | 
| 
 Working Pressure  | 
 16 Bar / 4 bar for HT°  | 
| 
 Test Pressure  | 
 24 Bar / 6 bar for HT°  | 
| 
 Working Temperature  | 
 STD:-40°C to +150°C/HT°:-40°C to +250°C  | 
| 
 Design Temperature  | 
 190°C / 250°C for HT°  | 
| 
 Complies with ADR / IMDG / RID / EN14432  | 
| 
 Approved by Bureau Veritas, A-C-I, RMR  | 
| 
 Weld-in flange  | 
 11 96 63 00 00  | 
| 
 Recess flange  | 
 11 97 18 00 00  | 
| 
 Blind flange EN14025  | 
 11 95 87 00 00  | 
| 
 Bolting Kit  | 
 11 12 69 91 00  | 
| 
 Gaskets  | 
 12 91 90 00 00  | 
| 
 Remote Control  | 
 RMT 33  | 
| 
 Remote Control Handle  | 
 11 14 55 91 00  | 
| 
 Made of (material)  | 
 316L / 1.4408 Stainless steel  | 
| 
 Compact design  | 
 Face to face 76 mm  | 
| 
 Operation  | 
 Handle 1/4 Turn or Remote Control  | 
| 
 Ball gaskets material  | 
 PTFE or PTFE/Graphite for HT°  | 

